升威動態
Granville dynamic
廣東升威電子制品有限公司
電 話:0769-38833333
傳 真:0769-87930111
0769-87930222
E-mail:sw@soundwell-cn.com
地 址:廣東省東莞市塘廈鎮鳳凰崗升威工業園
改變電位器阻值可以調節音量嗎?
調節音量的電位器是增大阻值順時針旋轉還是逆時針旋轉呢?阻值調節和這個有必然的關系嗎?電位器的阻值是通過逆時針旋轉才能增加還是順時針才能增大呢?
對于音量電位器來說,音量的調節一般是通過改變旋轉電位器的阻值來控制。

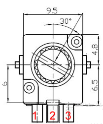
上圖是一款9mm帶開關立式型的電位器,以A向為例。如果接1、2兩腳那么,這個電路中此電位器是往3的方向旋轉阻值會增大,往1的方向選擇阻值變小。這種接線方法是比較常見的。也有接2、3腳的客人,如果是2、3腳接線,則會變成往3的方向旋轉阻值會減小,往1的方向選擇阻值會增大。
所以,阻值的調節會跟電位器的接法有著密切的關系。不同的音量電位器接法會有不同的阻值調節方式。接法會決定這個電位器增大阻值是順時針旋轉還是逆時針旋轉。
廣東升威電子專業生產電位器27年,電位器型號全,有各種類型的調節音量的功放音響電位器可選擇,一向視品質如生命的多們,經過全員的努力,多次被客戶評為“優秀供應商”,成為同行中的佼佼者!找電位器生產廠家就找升威電子.





















.jpg)
.jpg)
.jpg)



